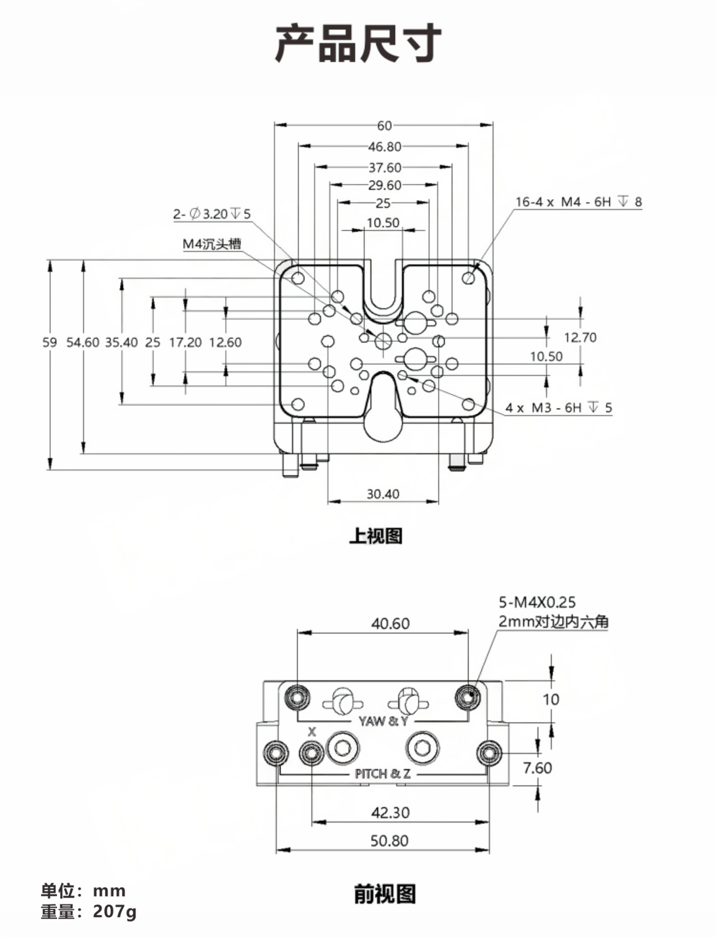
OMOP-M5位移台有5个调节器,可使用2mm六角扳手便捷调节顶部 平台的俯仰、偏转以及X、Y、Z轴的位置;底部具有两个M6沉头孔, 可用于将位移台安装到光学平台或该系列的安装板上。顶部平台有多 种安装孔和螺纹孔,使得该位移台能应用于不同的场景中;如下图, 顶部平台的M4螺纹孔兼容我们的压臂(链接在下方详情页内),孔的配置 使得压臂的尼龙头锁紧螺丝位于顶部平台的中心上方。除此之外,我们 还提供安装底板,以便将OMOP-M5位移台安装在光学平台或面包板上。
整体为铝合金材质制造。表面黑色阳极氧化处理。5轴调节,可调俯仰、偏转、X、Y. Z轴。顶部平台有多种安装孔和螺纹孔,使得位移台的应用更加广泛。CA系列底板用于将OMOP-M5位移台安装在光学平台上。OMOP-M5位移台安装在CA-M5B带槽底板上时,平台高度为36.6mm。OMOP-M5位移台安装在CA-M5T底座式底板上时,平台高度为58.7 mm