首页
电子元器件
无源元件
电感器,线圈,扼流圈
磁性元件 - 变压器,电感器元件
电位计,可变电阻器
电感器
电位计
晶体,振荡器,谐振器
光电器件
电阻器
滤波器
电容器
集成电路-IC
专用 IC
嵌入式计算机
数据采集
创客/DIY,教育
网络解决方案
存储器
时钟/定时
套件
射频和无线
线性
FPGA
嵌入式
接口
电压基准
电源管理
调制解调器IC
隔离器
各类分立套件
存储器 IC
功率驱动器模块
逻辑
瞬态电压抑制器 TVS
多谐振荡器
传感器
位置传感器
磁性传感器
传感器变送器
运动传感器
温度传感器
超声波接收器,发射器
电流传感器
磁体
光学传感器
浮子,液位传感器
光学运动传感器
接近传感器
多功能
触摸传感器
冲击传感器
LVDT 变送器(线性可变差动变压器)
分立半导体产品
晶闸管
保险丝
二极管
晶体管
开发板,套件,编程器
评估板
开发板,编程器配件
光电器件
镇流器,逆变器
真空荧光(VFD)
显示器
氙气灯照明
透镜
冷阴极萤光(CCFL)和 UV 灯
激光二极管
光纤衰减器
光纤开关 ,交换机,多路复用器,解复用器
光纤接收器
光纤发射器
光力学
光电元件配件
光导管
非接触式荧光粉光源
反射镜
垫片,支座
电致发光
电路板指示器,阵列,发光条,条形图
灯替换
触摸屏覆盖层
LED
光电 - 计数器,检测器
光电,工业
光电二极管
光电晶体管
光纤套件
光检测器
光帘
光检测器
光电遮断器 - 槽型 - 逻辑输出
光电遮断器 - 槽型 - 逻辑输出
光电遮断器 - 槽型 - 晶体管输出
工业自动化与控制
专用
信号调节器和隔离器
凸轮定位器
机器视觉
工业人机接口(HMI)
可叠接塔台照明、信标和元器件
工业传感器
气动,液压
面板仪器
控制器
继电器
监视器
断路器
阀门和控制
工业,DIN 导轨电源
工业设备
机器安全
机器人
工作照明
工业自动化配件
电路保护
照明保护
压敏电阻,MOV
热熔断体(热熔保险丝)
气体放电管避雷器(GDT)
浪涌抑制 IC
接地故障电路断路器(GFCI)
瞬态电压抑制器(TVS)
保险丝
电缆组件
电缆组件
射频器件
倍频器
功率分配器
同轴射频终端
噪声源
射频测试与测量
射频电缆组件
射频转接头
巴伦
振荡器/合成器
放大器
波导
混频器
滤波器
电缆
耦合器
袁减器/均衡器
连接器
连接器配件
射频和无线
巴伦转换器
RFI 和 EMI - 触头,簧片和衬垫
光学器件
光学元件
散射片
窗口片
棱镜
滤光片
分束镜
透镜
反射镜
偏振光学
成像系统和组件
光束质量分析仪
干涉测量物镜
转接件
显微镜主体顶部面包板
手动聚光镜对焦模块
显微镜主体支架固定臂
微镜刚性支架
38mm接杆安装座
齐焦延长器
单物镜安装架
载玻片支架
低漂移组件
接杆安装座
全包围不锈钢镜架
1英寸棱镜安装平台
竖直驱动不锈钢反射镜架
低漂移不锈钢反射调整架
固定式光学元件安装座
预设扭矩扳手
不锈钢卡环
无空隙压块
胶粘式不锈钢反射调整架
不锈钢反射调整架
不锈钢上方调节反射调整架
六角锁紧机构
低漂移不锈钢光学调整架
0.5英寸低漂移不锈钢光学调整架
光束整形
可调狭缝
最小零孔径拨杆式可变光阑
手动快门
SM螺纹旋转调节可锁紧可变光阑
精密窄缝安装座
精密安装座针孔
M4螺纹孔安装座可变光阑
精密针孔
螺纹拨杆式可变光阑
螺纹带刻度可变光阑
拨杆式可变光阑
调节器
精密微分头
调节器套装
调节器组件
光束导轨
19mm燕尾槽导轨滑块
19mm燕尾槽导轨
25mm方形导轨
95mm单层导轨
四面燕尾槽导轨压块用转接块
65mm光束导轨滑块
40mm光束导轨滑块
25mm光束导轨滑块
66mm四面燕尾槽导轨压块
95mm四面燕尾槽光学导轨
95mm光束导轨滑块
25mm光束导轨
40mm光束导轨
65mm光束导轨
66mm四面燕尾槽导轨和组件
手动滑台
手动旋转位移台
手动位移台
哥特式导轨位移台
微型燕尾式位移台
粗微调燕尾槽滑台
俯仰滚轮调节平台
俯仰偏摆安装平台
剪式升降平台
小型快接式精密位移台
铰式升降平台
交叉滚子导轨精密位移台
Z轴交叉滚子导轨精密位移台
纵向位移台
手动位移滑台
滑台转接板
燕尾槽滑台
无磁手动位移台
电动滑台
滤光片电动旋转台
超薄磁力开关底座
光纤耦合
挠性对准平台
光学平台
铝合金光学平台
磁性光学平台
光学平台遮光罩专用安装件
遮光罩
双倍孔实心铝光学平台
光学平台围栏组合挡板
厚度10mm一体式铝合金平台
球头六角扳手套装
面包板垂直安装支架
L型压板
水冷面包板
50mm厚光学平台
光纤组件
二三板偏振控制器
单轴FiberBench
光纤连接器
插芯适配器
光纤连接器带链条防尘帽
紧凑型偏振控制器
光纤跳线用适配器
光机组件
激光观察卡
工具与附件
角度安装支架
转接件
立柱接杆
透镜组件
光学调整架
笼式系统
结构件
60mm笼式系统
30mm笼式系统
16mm笼式系统
仪器设备及装置
通用电子测试仪器
电池测试
音频测试
微小信号测量
安规测试
功率分析
逻辑分析仪
数据记录仪
电子负载
专用分析仪
视频测试
计量校准
元器件参数测试
频率计数器
电能质量分析
电源
频谱分析仪
示波器
万用表
数据采集与PXI仪表
PXI总线模块
PXI仪器
PXI 模块
PXI控制器
PXI 机箱
射频测试设备
射频功率计及功率传感器
无线综合测试仪
射频信号源
网络分析仪
频谱分析仪
光学和色彩测试
光学、显示与色彩测量
材料与结构分析
台式电镜
X射线系列
色谱仪
质谱仪
光谱仪
环境仪表/设备
环境实验设备
环境监测设备
半导体专用设备
晶体生长设备
沉积系统
双离子束溅射沉积镀膜设备
离子束刻蚀设备
等离子增强化学气相沉积设备
反应离子刻蚀设备
固晶机
焊接设备
PVD
磁性流体装置
磁性流体
半导体材料
光刻版
光刻胶
衬底
半导体测试设备
半导体芯片测试
半导体材料测试
EMC测试设备
EMI测试设备
EMS测试设备
实验室检测及配套
实验室环境
小核磁
流变仪
纯水系统
能谱仪
PCR
科研支持服务
零散小额代采服务
非标机加服务
3D打印服务
专业设备定制服务
软件定制服务
维修、租赁及二手设备销售服务
关于我们
公司简介
企业文化
联系我们
常见问题
登录
注册
个人中心
基础信息
购物车
历史订单
忘记密码
退出登录
简洁·智能·透明·全方位的
科研采购服务平台
欢迎登录
账号登录
短信登录
{{isSending?second+'s后可重新发送':'获取验证码'}}
自动登录
忘记密码
登录
注册新用户
简洁·智能·透明·全方位的
科研采购服务平台
注册
{{isSending?second+'s后可重新发送':'获取验证码'}}
已阅读并同意我们的
《用户注册条款及隐私政策》
注册并登录
已有账号,去登录
您已成功退出
首页
>
光学器件
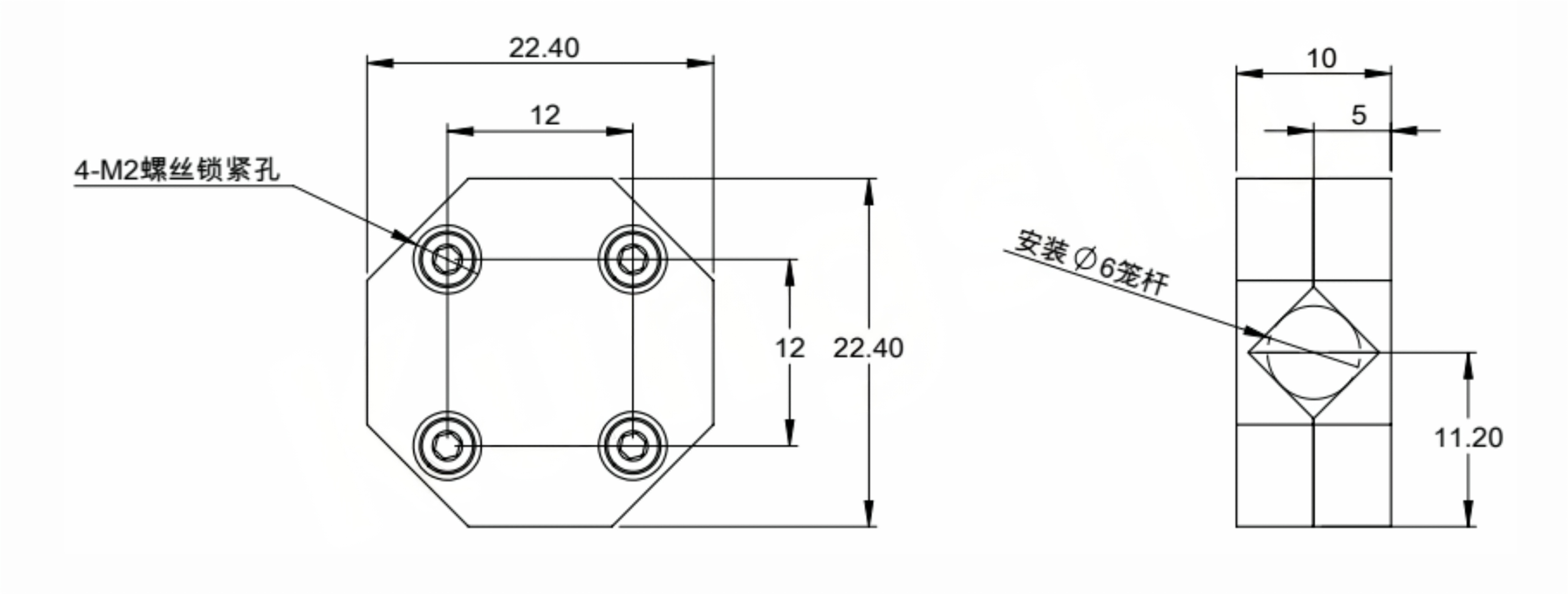
6mm十字交叉耦合件
兼容30 mm和60 mm笼式系统,以90°连接笼杆 可以垂直连接多个30 mm和60 mm笼式结构
产品型号
{{scope.row.ProductModel}}
{{scope.row.SpecJson["szjcohj"]}}
¥{{scope.row.Price}}
加入购物车
上一条
下一条
规格
{{detailInfo.SpecJson["szjcohj"]}}
PDF文档:
预览
下载
流量统计代码